型 號:TIRROLLER TSP型搬運小坦克
規 格:3噸-12噸TIRROLLER TSP型
公司名稱:日本TIRROLLER搬運小坦克
保質周期:12
價 格(≤ 1) ¥電議 /臺
優惠價格(≥ 5):電議


TIRROLLER TSP型搬運小坦克介紹:
◆TIRROLLER TSP型搬運小坦克采用低重心和緊湊性設計,在移運重物時保持良好的平衡性;
◆TSP型搬運小坦克超低型,自重輕,采用電鍍合金材質,可以在無塵環境中使用;
◆TSP型TIRROLLER搬運小坦克配有6個高強度小型坦克輪。

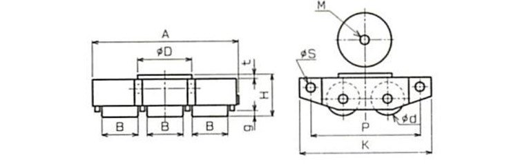
TIRROLLER TSP型搬運小坦克尺寸圖:
|
型 號 |
TSP-3U |
TSP-4.5U |
TSP-7.5U |
TSP-12U |
|||||
|
安全載荷(t) |
3 |
4.5 |
7.5 |
12 |
|||||
|
自重(kg) |
7 |
11 |
21 |
41 |
|||||
|
移動阻力 |
鋼板路面 |
0.05 |
0.05 |
0.05 |
0.05 |
||||
|
混凝土路面 |
0.07 |
0.07 |
0.07 |
0.07 |
|||||
|
|
A |
219 |
249 |
323 |
398 |
||||
|
K |
270 |
310 |
345 |
400 |
|||||
|
P |
220 |
250 |
285 |
340 |
|||||
|
H |
63 |
77 |
96 |
119 |
|||||
|
g |
12 |
14 |
14 |
24 |
|||||
|
ØS |
21 |
26 |
26 |
31 |
|||||
|
|
型式 |
聚氨酯 |
|||||||
|
個數 |
6 |
6 |
6 |
6 |
|||||
|
Ød |
46 |
60 |
75 |
95 |
|||||
|
B |
55 |
65 |
85 |
110 |
|||||
|
|
ØD |
125 |
150 |
180 |
240 |
||||
|
t |
6 |
6 |
9 |
9 |
|||||
|
M |
M16 |
M16 |
M20 |
M20 |
|||||
|
專用手柄(可選) |
PHP-20 |
PHP-25 |
PHP-25 |
PHP-30 |
|||||

TIRROLLER TSP型搬運小坦克屬于日本TIRROLLER品牌原裝進口產品,保質12個月(易損件除外),凡客戶從我公司定購此品牌產品如收到貨物時發現有假貨仿貨均以100倍金額賠償。