型 號:CW型TIRROLLER搬運小坦克
規 格:1噸-4噸TIRROLLER CW型搬運
公司名稱:日本TIRROLLER搬運小坦克
保質周期:12
價 格(≤ 1) ¥電議 /臺
優惠價格(≥ 5):電議

TIRROLLER CW型搬運小坦克,CW型搬運小坦克

◆TIRROLLER CW型搬運小坦克采用緊湊型設計,屬于輕量型搬運小坦克,可用于U型軌道內或狹窄的路面;
◆這款CW型搬運小坦克采用聚氨酯滾輪,搬運阻力小,防震性能佳,減少地板上的劃痕;
◆CW型TIRROLLER搬運小坦克可用于鋼板和混凝土路面。
TIRROLLER CW型搬運小坦克廣泛應用于工廠設備的搬運,車間布局的變更,車床、磨床、刨床的移動安裝,變壓器、鍋爐等大型設備的移動等。

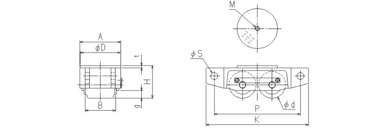
TIRROLLER CW型搬運小坦克尺寸圖:
|
型 號 |
CW-1U |
CW-2U |
CW-4U |
|
|
安 全 載 荷(t) |
1 |
2 |
4 |
|
|
自 重(kg) |
8 |
18 |
25 |
|
|
|
鋼板路面 |
0.05 |
0.05 |
0.05 |
|
混凝土路面 |
0.07 |
0.07 |
0.07 |
|
|
框架
|
A |
127 |
157 |
186 |
|
K |
310 |
380 |
430 |
|
|
P |
250 |
320 |
370 |
|
|
H |
86 |
123 |
146 |
|
|
g |
15 |
29 |
34 |
|
|
R |
— |
— |
— |
|
|
ØS |
26 |
26 |
26 |
|
|
Q |
— |
— |
— |
|
|
輪子
|
型式 |
聚氨酯 |
||
|
個數 |
2 |
2 |
2 |
|
|
Ød |
65 |
100 |
120 |
|
|
B |
75 |
110 |
140 |
|
|
轉盤 |
ØD |
125 |
150 |
180 |
|
t |
9 |
9 |
9 |
|
|
M |
M16 |
M16 |
M16 |
|
|
專用手柄(可選) |
PH-25 |
PH-25 |
PH-25 |
|
注:由于產品不斷改良,當外形與參數變更時,均以實物為主,想要了解更多產品詳情可電話聯系我們。

TIRROLLER CW型搬運小坦克屬于日本TIRROLLER品牌原裝進口產品,保質12個月(易損件除外),凡客戶從我公司定購此品牌產品如收到貨物時發現有假貨仿貨均以100倍金額賠償。