型 號:W-UA型直行搬運小坦克
規 格:2噸-20噸W-UA型直行搬運小坦克
公司名稱:日本TIRROLLER品牌直行搬運小坦克
保質周期:12
價 格(≤ 1) ¥電議 /臺
優惠價格(≥ 5):電議


◆W-UA型 直行搬運小坦克屬于日本TIRROLLER品牌產品,鋼制表面,采用耐久性的熱處理鑄造鋁合金工藝,堅固耐用;
◆W-UA型直行搬運小坦克采用防震的聚氨酯輪,降低對地面的損傷;
◆W-UA型直行搬運小坦克可在鋼板路面、混凝土地面上使用。
日本TIRROLLER品牌還有一款本體高度較低的直行搬運小坦克WS-U型直行搬運小坦克,詳情:http://www.hk-precisions.com.cn/zxbyxtk/306.html
W-UA型直行搬運小坦克用于工廠等設施搬運、轉運、就位等,用于運輸大型機械設備、大型變壓器和鍋爐、空調設備、污染控制設備的移動和安裝、住房的建設、房屋的運輸,鋼制家具的移運等。

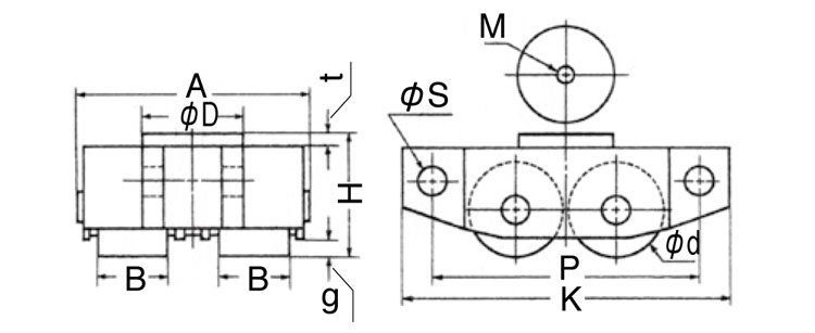
W-UA型直行搬運小坦克尺寸圖:

|
型 ? ? ? ? ? ? ? ? ?號 |
W-2UA |
W-3UA |
W-5UA |
W-8UA |
W-10UA |
W-15UA |
W-20UA |
||||||
|
安全載荷(噸) |
2 |
3 |
5 |
8 |
10 |
15 |
20 |
||||||
|
自重(kg) |
13 |
17 |
32 |
42 |
70 |
98 |
135 |
||||||
|
移動阻力 |
鋼板路面 |
0.05 |
0.05 |
0.05 |
0.05 |
0.05 |
0.05 |
0.05 |
|||||
|
混凝土路面 |
0.07 |
0.07 |
0.07 |
0.07 |
0.07 |
0.07 |
0.07 |
||||||
|
? |
A |
140 |
244 |
284 |
344 |
294 |
426 |
558 |
|||||
|
K |
330 |
350 |
400 |
460 |
636 |
635 |
655 |
||||||
|
P |
270 |
290 |
340 |
400 |
565 |
565 |
585 |
||||||
|
H |
84 |
94 |
124 |
144 |
132 |
132 |
132 |
||||||
|
g |
15 |
14 |
29 |
34 |
20 |
20 |
20 |
||||||
|
?S |
26 |
26 |
26 |
31 |
36 |
36 |
36 |
||||||
| 輪子 ? ? |
型式 |
聚氨酯 |
|||||||||||
|
個數 |
4 |
4 |
4 |
4 |
8 |
12 |
16 |
||||||
|
?d |
65 |
75 |
100 |
120 |
100 |
100 |
100 |
||||||
|
B |
75 |
90 |
110 |
140 |
100 |
100 |
100 |
||||||
| 轉盤 ? ? |
?D |
150 |
150 |
180 |
240 |
280 |
360 |
360 |
|||||
|
t |
6 |
6 |
9 |
9 |
9 |
9 |
9 |
||||||
|
M |
M16 |
M16 |
M20 |
M20 |
M20 |
M20 |
M30 |
||||||
|
專用手柄(可選) |
PH-25 |
PH-25 |
PH-25 |
PH-25 |
— |
— |
— |
||||||

TIRROLLER W-UA型直行搬運小坦克為日本原裝進口產品,保質1年,我公司承諾凡是客戶在我公司定購的進口類產品均為原裝正品,絕不存在拆件貨,換件貨,假冒品牌產品,凡客戶從我公司訂購日本TIRROLLER產品如收到貨物時發現有拆件貨,換件貨,假冒、假貨仿貨均以100倍金額賠償。