型 號:DSD型DAIKI搬運小坦克
規 格:3噸-10噸DAIKI搬運小坦克
公司名稱:日本DAIKI
保質周期:12
價 格(≤ 1) ¥電議 /臺
優惠價格(≥ 5):電議


DAIKI DSD型搬運小坦克介紹:
◆DAIKI DSD型搬運小坦克2個軸各配備一個輪子,移動阻力小,搬運坦克輪材質為鋼制;
◆此型號的DAIKI搬運小坦克堅固耐用,承載能力強,可以前進也可進行后退操作;
◆DAIKI DSD型搬運小坦克在承載重型設備時,移動更加省力,省時,提高工作效率。
DAIKI DSS型搬運小坦克也是配備2個鋼輪,在一根軸上排列,詳情:http://www.hk-precisions.com.cn/zxbyxtk/200.html

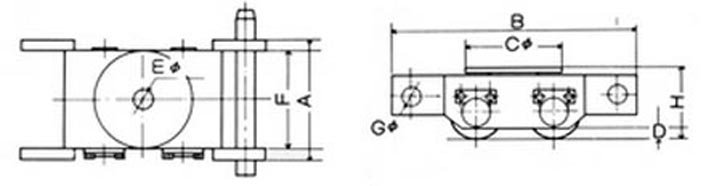
DAIKI DSD型搬運小坦克尺寸圖:

??? ?? ?? ???? ???? ???? ???? ???? ???? ???? ???? ???? ???? ???? ?? ?? ???? ???? ???? ???? ???? ???? ???? ???? ???? ???? ???? ?? ?? ???? ???? ???? ???? ???? ???? ???? ???? ???? ???? ???? ?
|
型號 |
載荷 |
滑輪 |
重量 |
A |
B |
φC |
D |
E |
F |
φG |
H |
|
DSD-3 |
3T |
60×80×2 |
8 |
138 |
280 |
110 |
11 |
M16 |
114 |
23 |
80 |
|
DSD-7.5 |
7.5T |
80×80×2 |
11 |
138 |
293 |
110 |
13 |
M16 |
114 |
23 |
105 |
|
DSD-10 |
10T |
100×125×2 |
21 |
156 |
355 |
150 |
18 |
M16 |
114 |
23 |
128 |
注:由于產品不斷改良,當外形與參數變更時,均以實物為主,想要了解更多產品詳情可電話聯系我們。

DAIKI DSD型搬運小坦克為日本原裝進口產品,保質1年,我公司承諾凡是客戶在我公司定購的進口類產品均為原裝正品,絕不存在拆件貨,換件貨,假冒品牌產品,凡客戶從我公司訂購改品牌產品如收到貨物時發現有拆件貨,換件貨,假冒、假貨仿貨均以100倍金額賠償。