型 號:DUS-S型DAIKI搬運小坦克
規 格:2.5噸-4噸DUS-S型DAIKI搬運
公司名稱:日本DAIKI搬運小坦克
保質周期:12
價 格(≤ 1) ¥電議 /臺
優惠價格(≥ 5):電議

DUS-S型DAIKI搬運小坦克,DAIKI搬運小坦克

DUS-S型DAIKI搬運小坦克介紹:
◆DUS-S型DAIKI搬運小坦克帶有2個滾輪,方便在移動中轉換方向,搬運設備轉向操作更加容易;
◆此型號的DAIKI搬運小坦克采用聚氨酯搬運坦克輪,搬運中對地面沒有損壞,承載穩定,耐磨損,使用壽命長;
◆日本DAIKI DUS-S型搬運小坦克的承載板設有螺紋孔,方便與重物固定,防止發生滑脫危險。
【相關產品查閱】日本DAIKI搬運小坦克包含多個型號,更多直行搬運小坦克產品:http://www.hk-precisions.com.cn/zxbyxtk/

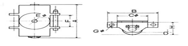
DUS-S型DAIKI搬運小坦克尺寸圖:

|
型號 |
載荷 |
滑輪 |
重量 |
A |
B |
φC |
D |
E |
F |
φG |
H |
|
DUS-2.5S |
2.5T |
80×80×2 |
8 |
215 |
210 |
110 |
13 |
M16 |
114 |
23 |
105 |
|
DUS-4S |
4T |
100×125×2 |
19 |
315 |
250 |
150 |
21 |
M16 |
114 |
23 |
128 |
注:由于產品不斷改良,當外形與參數變更時,均以實物為主,想要了解更多產品詳情可電話聯系我們。

DUS-S型DAIKI搬運小坦克屬于日本DAIKI品牌產品,保質12個月,凡客戶從我公司定購此品牌產品如收到貨物時發現有假貨仿貨均以100倍金額賠償。