型 號:DNW-S型DAIKI搬運小坦克
規 格:6噸-8噸DAIKI搬運小坦克
公司名稱:日本DAIKI搬運小坦克
保質周期:12
價 格(≤ 1) ¥電議 /臺
優惠價格(≥ 5):電議

DNW-S型DAIKI搬運小坦克,DAIKI搬運小坦克

DNW-S型DAIKI搬運小坦克介紹:
◆DNW-S型DAIKI搬運小坦克采用低位設計,本體高度低,避免發生傾斜危險,適合用于空間縫隙小的場合,適用范圍廣泛.
◆此款DAIKI搬運小坦克采用尼龍輪,承載能力強且穩定,起動和運行阻力都很小,搬運順暢,幾個人就可推動重物,搬運過程中方便省力.
◆日本DAIKI DNW-S型搬運小坦克可定制無塵室專用的DNW-SK型搬運小坦克,其采用電鍍層,防腐防銹.

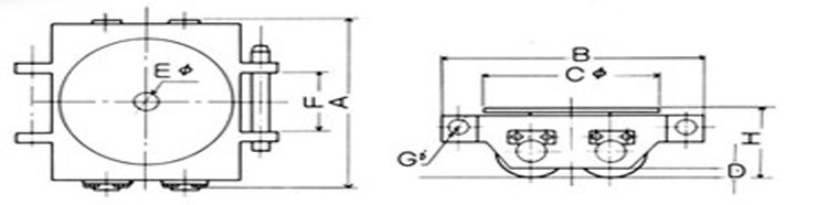
DNW-S型DAIKI搬運小坦克尺寸圖:

|
型號 |
載荷 |
滾輪 |
重量 |
A |
B |
φC |
D |
E |
F |
φG |
H |
|
DNW-6S |
6T |
60×80×4 |
10.2 |
215 |
250 |
150 |
11 |
M16 |
114 |
23 |
80 |
|
DNW-8S |
8T |
80×80×4 |
13.2 |
215 |
295 |
200 |
13 |
M20 |
114 |
23 |
105 |
注:由于產品不斷改良,當外形與參數變更時,均以實物為主,想要了解更多產品詳情可電話聯系我們.

DNW-S型DAIKI搬運小坦克屬于日本DAIKI品牌產品,保質12個月,凡客戶從我公司定購此品牌產品如收到貨物時發現有假貨仿貨均以100倍金額賠償.