型 號:DUW-PS型DAIKI搬運小坦克
規 格:5噸-10噸DUW-PS型DAIKI搬運
公司名稱:日本DAIKI搬運小坦克
保質周期:12
價 格(≤ 1) ¥電議 /臺
優惠價格(≥ 5):電議
DUW-PS型DAIKI搬運小坦克,DUW-PS型搬運小坦克

DUW-PS型DAIKI搬運小坦克介紹:
◆DUW-PS型DAIKI搬運小坦克車體一體成型,分割滾床,配有8個滾輪,比DUW-P型搬運小坦克搬運阻力更小,故它搬運重物更省力;
◆DUW-PS型搬運小坦克的車體底盤低,適合用于高度較低的搬運作業場合;
◆日本DAIKI DUW-PS型搬運小坦克采用高品質的聚氨酯搬運坦克輪,擁有良好的承載能力,且耐磨損,使用壽命長,承載重物時對地面沒有損害;
◆DUW-PS型DAIKI搬運小坦克帶有轉盤,轉盤中心有螺栓固定孔,方便車體與重物固定,有效防止重物滑脫發生危險。

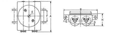
DUW-PS型DAIKI搬運小坦克尺寸圖:

| 型號 | 載荷 |
滾輪 (φ×L×個數) |
重量 (kg) |
A | B | φC | D | E | F | φG |
H 高度 |
| DUW-5PS | 5T | 80×40×8 | 15 | 210 | 315 | 180 | 17 | M20 | 114 | 23 | 105 |
| DUW-10PS | 10T | 100×62.5×8 | 33 | 307 | 350 | 240 | 20 | M20 | 114 | 23 | 128 |
注:由于產品不斷改良,當外形與參數變更時,均以實物為主,想要了解更多產品詳情可電話聯系我們。

DUW-PS型DAIKI搬運小坦克屬于日本DAIKI品牌產品,保質12個月,凡客戶從我公司定購此品牌產品如收到貨物時發現有假貨仿貨均以100倍金額賠償。